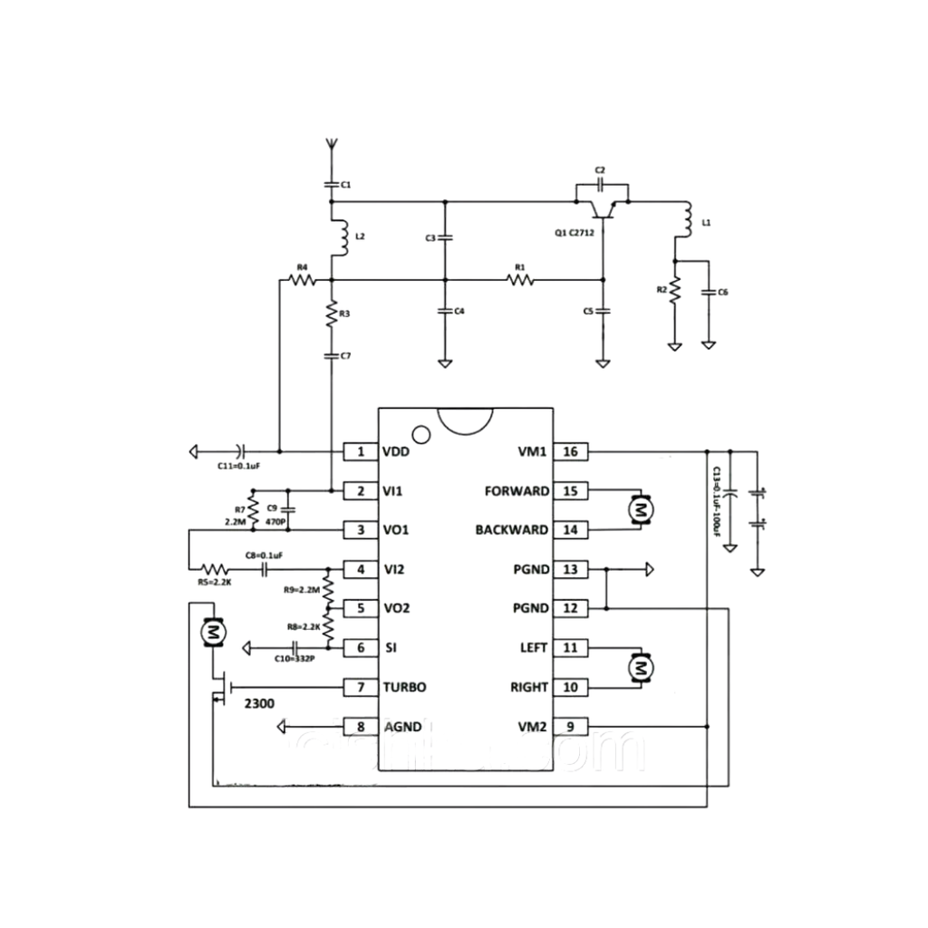
MX1608RX2 Circuito Integrado Controlador Para Motores Y Receptor RF SMD

Precio U:

90.00


Base Para integrado 40 Pines 20 Pines * Lado Pin Redondo
Base Para integrado 40 Pines 20 Pines * Lado Pin Redondo
10.00
10.00
Modulo Monitor De Ritmo Cardiaco ECG AD8232
Modulo Monitor De Ritmo Cardiaco ECG AD8232
159.00
159.00

MX1608RX2 Circuito Integrado Controlador Para Motores Y Receptor RF SMD

https://unitronic-online.com/web/image/product.template/17215/image_1920?unique=27621c3

El MX1608RX2 es un circuito integrado que combina receptor de radiofrecuencia y controlador de motores, utilizado en carros, juguetes y proyectos de radio control. Ideal para reemplazos o desarrollos de sistemas inalámbricos simples.

90.00 90.0 GTQ 90.00

90.00

No está disponible para venta


    Esta combinación no existe.


    Etiquetas :
    Compartir :
    Productos Similares
    Productos Complementarios